74HC00
74HC00
RENESAS
74HC00 ST SOP
In Stock: 6124 pcs
, một thành viên nổi bật của gia đình IC logic CMOS, tích hợp bốn cổng NAND vào một gói, tận dụng công nghệ cổng silicon để phù hợp với tốc độ hoạt động của LS-TTL với mức tiêu thụ điện năng thấp hơn đáng kể.Sự pha trộn giữa tốc độ và hiệu quả này, được tăng cường bởi khả năng lái lên tới mười tải LS-TTL và kẹp diode bên trong để bảo vệ phóng điện, định vị 74HC00 là một thành phần linh hoạt và đáng tin cậy trong thiết kế mạch kỹ thuật số.Bạn có thể đánh giá cao các đầu ra đệm của nó để tăng cường khả năng miễn dịch tiếng ồn và khả năng tương thích của nó với một số tương đương tiêu chuẩn của ngành, làm cho nó trở thành nền tảng trong việc tạo ra các hệ thống kỹ thuật số sáng tạo và mạnh mẽ.
Danh mục
Các 74hc00, kết hợp bốn cổng NAND, được ghi nhận cho sự liên kết của nó với gia đình LS-TTL.
Sử dụng công nghệ CMOS của Silicon-Gate, nó đạt được tốc độ hoạt động gần giống với LS-TTL trong khi vẫn tập trung vào mức tiêu thụ năng lượng thấp.Sự cân bằng này cho phép bạn khai thác cả tốc độ và hiệu quả, nuôi dưỡng các thiết kế cộng hưởng với sự khéo léo.Đầu ra cổng đệm tăng cường khả năng miễn dịch tiếng ồn, một yếu tố góp phần vào hiệu suất ổn định ngay cả trong môi trường tín hiệu đầy thách thức.
Khả năng của nó để lái lên đến mười tải LS-TTL làm cho nó phù hợp cho các hệ thống nơi mong muốn có nhiều đầu ra tín hiệu.
Được trang bị kẹp diode bên trong, nó giảm thiểu các rủi ro liên quan đến xả tĩnh điện.Tính năng này nhấn mạnh vai trò của nó trong việc mở rộng tuổi thọ thành phần, phản ánh một cách tinh tế sự khôn ngoan trong việc tìm kiếm độ tin cậy lâu dài.
Thay thế và tương đương:
•
CD4011
CD4011
I-CORE
701
In Stock: 25220 pcs
• MC54HC00AJD
• M74HC00M1
• SN54LS00
• SN74HCT00DTE4
•
74HCT132D
74HCT132D
NXP
74HCT132D PHILIPS SOP14
In Stock: 16924 pcs
•
74HCT00
74HCT00
TI
74HCT00 ST SOP14
In Stock: 2870 pcs

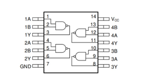
• Ghim 1, 2, 4, 5, 9, 10, 12, 13: Đầu vào dữ liệu
Các chân này được chế tạo để nhận tín hiệu đầu vào hướng dẫn các hoạt động logic của các cổng NAND bên trong chip.Đảm bảo các đầu vào này không có sự thúc đẩy nhiễu hành vi mạch đáng tin cậy, phản ánh sự kiểm soát và dự đoán.
• Ghim 3, 6, 8, 11: Đầu ra dữ liệu
Đóng vai trò là đầu ra, các chân này truyền đạt kết quả của các tính toán cổng NAND.Chúng có thể được sử dụng trong các công trình logic kỹ thuật số đa dạng, dệt các mẫu logic phức tạp.Khi nhiều mạch được kết nối với một đầu ra duy nhất, các hiệu ứng tải tiềm năng gợi ý về sự cân bằng tinh tế cần thiết trong các mối quan hệ phức tạp.
• Pin 7: Ground (GND)
Chân này kết nối với mặt đất hệ thống để cung cấp một điểm tham chiếu ổn định cho điện áp.Thiết lập một kết nối ổn định như vậy phù hợp với sự theo đuổi tự nhiên của nền tảng và sự rõ ràng, giảm thiểu các xáo trộn.
• PIN 14: Cung cấp năng lượng tích cực (VCC)
Cho ăn điện áp chính xác thông qua pin này hỗ trợ hiệu suất của thiết bị.Trong khi duy trì trong phạm vi được chỉ định tăng cường tuổi thọ và hiệu quả, việc đặt các tụ điện tách biệt gần các chân điện có thể ổn định đáng kể hoạt động, phản ánh các chiến lược để quản lý sự phức tạp của cuộc sống.
74HC00
74HC00
RENESAS
74HC00 ST SOP
In Stock: 6124 pcs
được thiết kế với bốn cổng NAND độc lập tập trung vào hiệu quả năng lượng, thu hút bạn với hiệu suất đáng tin cậy của nó trong các mạch kỹ thuật số.Miễn dịch tiếng ồn ấn tượng của nó góp phần vào các ứng dụng ổn định, mà nhiều người tìm thấy sự hấp dẫn cho các dự án ưu tiên tính nhất quán.Có sẵn ở các định dạng DIP và SOIC, nó đáp ứng các yêu cầu thiết kế đa dạng và cung cấp các tùy chọn bố cục PCB linh hoạt.
Khả năng thích ứng của 74HC00 cho phép nó phù hợp với một loạt các cấu hình cổng logic và các hệ thống phức tạp.Bạn có thể định giá khả năng lái đầu vào/đầu ra mạnh mẽ của nó, thấy nó hữu ích để chế tạo các chức năng kỹ thuật số phức tạp.
Khả năng hoạt động của nó trong các điều kiện khác nhau làm cho 74HC00 phổ biến trong giáo dục và phát triển nguyên mẫu.Sự dễ dàng mà nó thích nghi để tăng độ phức tạp mạch truyền cảm hứng cho bạn để khám phá những đổi mới mới mà không phải hy sinh hiệu suất.
Tổng quan nhà sản xuất
Texas Cụ đã nổi tiếng về sự cống hiến của mình để tạo ra các sản phẩm bán dẫn đáng tin cậy và đột phá.Với sự tập trung không ngừng của họ vào độ bền và hiệu suất vượt trội, các thành phần của Texas Cụ thể là trung tâm của nhiều ứng dụng, thể hiện vai trò hiệu quả của chúng trong ngành công nghiệp điện tử.
Kích thước vật lý
Đo 8,65mm x 3,91mm x 1,58mm,
74HC00
74HC00
RENESAS
74HC00 ST SOP
In Stock: 6124 pcs
tự hào có thiết kế kiểu dáng đẹp phù hợp với môi trường nhỏ gọn.Các kích thước này đơn giản hóa sự tích hợp vào các bố cục bảng mạch khác nhau, cho phép bạn tận dụng tối đa không gian hạn chế mà không ảnh hưởng đến các khả năng đáng chú ý của thiết bị.
Đặc điểm điện
Điện áp cung cấp kéo dài từ 2V đến 6V, cung cấp khả năng thích ứng trong việc chọn các nguồn năng lượng và đảm bảo khả năng tương thích với phổ các mạch kỹ thuật số rộng.Phạm vi điện áp này hỗ trợ các ứng dụng đa năng, cho phép 74HC00 điều chỉnh một cách khéo léo để thay đổi nhu cầu trong môi trường động.
Nhiệt độ và điều kiện môi trường
Hoạt động hiệu quả giữa -40 ° C đến 85 ° C, thiết bị được thiết kế để phát triển mạnh ở các điều kiện khí hậu và công nghiệp đa dạng.Điện trở của nó chống lại các thái cực nhiệt độ làm cho nó trở thành một lựa chọn ưa thích cho các ứng dụng điện tử và công nghiệp tiêu dùng, trong đó sự biến đổi môi trường được đưa ra.
Số liệu hiệu suất
Cung cấp độ trễ lan truyền là 23 nano giây, 74HC00 vượt trội về hiệu quả xử lý cần thiết cho các hàm logic tốc độ cao.Hiệu suất nhanh chóng này là lợi thế cho các ứng dụng như hệ thống điều khiển tín hiệu và truyền thông số, trong đó trao đổi dữ liệu nhanh là một điều cần thiết.
Thành phần cấu trúc
Thiết bị này bao gồm 4 cổng, cho các hoạt động logic NAND, cung cấp chức năng đáng kể cho các thiết kế logic phức tạp.Cấu hình này chứng tỏ thuận lợi khi cần phải thực hiện các hoạt động logic một cách hiệu quả, đảm bảo xử lý nhanh chóng và đáng tin cậy trong các hệ thống.
Phân loại
Hoạt động như một cổng logic, 74HC00 đóng vai trò là thành phần chính trong việc tạo mạch kỹ thuật số.Bạn có thể sử dụng các yếu tố này để xây dựng các hệ thống kỹ thuật số phức tạp, do đó tăng cường sức mạnh tính toán và khả năng xử lý tiến bộ theo những cách sáng tạo.
74HC00
74HC00
RENESAS
74HC00 ST SOP
In Stock: 6124 pcs
tích hợp bốn cổng NAND riêng biệt, mỗi cổng có hai đầu vào dẫn đến một đầu ra.Các hoạt động phụ thuộc vào một bảng sự thật chi tiết.Cụ thể, đầu ra giảm xuống mức thấp nếu cả hai đầu vào đều cao.Mặt khác, đầu ra vẫn là một yếu tố chính trong thiết kế logic kỹ thuật số, hoạt động như một thành phần cốt lõi trong việc tạo ra các mạch phức tạp hơn.
Phản hồi tích cực ảnh hưởng một cách tinh tế đến sự ổn định trên các cổng này.Khi mỗi cổng xử lý các đầu vào của nó, phản hồi phục vụ để củng cố trạng thái đầu ra ổn định, thúc đẩy hiệu suất nhất quán.Cân bằng này đạt được bằng cách hài hòa các phản ứng của cổng với các giá trị đầu vào.Bạn có thể khai thác khía cạnh này để rèn các mạch đòi hỏi các trạng thái logic đáng tin cậy, phát hiện ra một lớp dự đoán được đảm bảo.
Nắm bắt các sự tinh tế của động lực học đầu vào-đầu ra trong các cổng NAND giúp tăng cường tiềm năng cho các thiết kế mạch được sắp xếp hợp lý.Các ứng dụng phổ biến bao gồm xây dựng flip-flop và thực hiện các tác vụ logic như và, hoặc, và không hoạt động.Tính linh hoạt này nhấn mạnh sự áp dụng của họ trên một phổ bối cảnh, từ các cơ chế kiểm soát đơn giản đến các khung tính toán tinh vi.
Phản ánh về tiện ích rộng lớn hơn của 74HC00, hiệu suất đáng tin cậy của nó tìm thấy sự liên quan trong các lĩnh vực bao gồm các thiết bị điện tử tiêu dùng đến tự động hóa công nghiệp.Sức mạnh để sắp xếp các cổng này trong các khung logic đa dạng cho phép tự do sáng tạo đáng kể, khuyến khích sự đổi mới.Các nguyên tắc chính của Gates NAND truyền cảm hứng cho các giải pháp phù hợp cho các rào cản công nghệ độc đáo.
74HC00
74HC00
RENESAS
74HC00 ST SOP
In Stock: 6124 pcs
là một cổng NAND hai đầu vào được thiết kế với độ chính xác tinh tế.Nó thể hiện một sự pha trộn hài hòa của thực tiễn và tinh tế công nghệ.
Đặc trưng
• Hoạt động trên một phạm vi điện áp rộng
• Hiển thị độ trễ lan truyền nhanh chóng
• Thích hợp cho các hoạt động tốc độ cao và công suất thấp
Đặc điểm điện
• Điện áp và dòng điện: Thành phần này hoạt động trên một phạm vi của các mức điện áp, phù hợp với sự đa dạng của nhu cầu thiết kế.
• Phạm vi nhiệt độ: Thực hiện đáng tin cậy trên các cài đặt nhiệt độ khác nhau, cho phép khả năng thích ứng với các điều kiện môi trường khác nhau.
Ứng dụng
• Sử dụng chung: Một thành phần đa năng, nó tìm thấy một vị trí trong vô số mạch kỹ thuật số, đáp ứng nhu cầu từ các công việc hàng ngày đến các ứng dụng phức tạp với ân sủng.
• Việc triển khai cụ thể: Từ thiết bị điện tử tiêu dùng đến cơ chế công nghiệp, 74HC00 tích hợp liền mạch, thể hiện tiện ích của nó trong mỗi ứng dụng.
Chip
74HC00
74HC00
RENESAS
74HC00 ST SOP
In Stock: 6124 pcs
thể hiện khả năng thích ứng đáng chú ý, thường xuất hiện trong các bối cảnh điện tử đa dạng nhờ phổ các chức năng rộng lớn.
Bộ đệm và lái xe
74HC00 hoạt động thành thạo như một bộ đệm hoặc trình điều khiển, thúc đẩy kết nối liền mạch trên các mạch.Bằng cách giảm thiểu các giọt điện áp và giảm suy giảm tín hiệu, nó thiết lập giao tiếp nhất quán giữa các thành phần.Trong các thiết bị điện tử thực hành, sử dụng 74HC00 như một bộ đệm có thể củng cố khả năng của vi điều khiển để kích hoạt nhiều đèn LED hoặc mô-đun chuyển tiếp, một tính năng thường xuyên trong các dự án DIY.
Hoạt động logic
Chip này cho phép các hoạt động logic, chẳng hạn như cổng NAND, tạo thành cốt lõi của các hệ thống phức tạp.Sự tích hợp dễ dàng của nó vào các mạch logic khác nhau nhấn mạnh khả năng sử dụng của nó.Trong thiết kế kỹ thuật số, tận dụng các Gates NAND trao quyền cho bạn xây dựng các mạch logic tinh vi với ít thành phần hơn, tăng cường cả khả năng chi trả và sự nhỏ gọn.
Tích hợp hệ thống nhúng
Trong các hệ thống nhúng, việc thực hiện nhiệm vụ hợp lý hóa 74HC00 bằng cách nhúng các hàm logic trong các sáng kiến vi điều khiển.
Nhiều thiết bị IoT sử dụng chip này để thực hiện kiểm tra có điều kiện và quản lý các thiết bị ngoại vi, tăng khả năng đáp ứng và độ tin cậy của hệ thống.
Chuyển đổi cấp độ
74HC00 phục vụ vai trò hiệu quả trong chuyển đổi cấp độ, điều chỉnh mức tín hiệu giữa các mạch khác nhau.Điều này tạo điều kiện giao diện trơn tru của các thành phần với xếp hạng điện áp khác nhau.Trong các tình huống điện áp hỗn hợp, chẳng hạn như liên kết bộ vi điều khiển 5V với cảm biến 3,3V, 74HC00 kết nối liền mạch sự phân chia, đảm bảo chia sẻ dữ liệu chính xác.
Mạch thời gian và kiểm soát
ChIP cũng có các mạch thời gian và điều khiển, hỗ trợ sự phối hợp tỉ mỉ của các tác vụ logic tuần tự, tăng cường các ứng dụng như mạch dòng trễ và tạo xung.Tinh chỉnh các mạch thời gian với 74HC00 giúp tăng cường độ chính xác trong các nhiệm vụ như hệ thống truyền thông đồng bộ, bảo vệ độ trung thực của dữ liệu thông qua quản lý thời gian tỉ mỉ.
Bộ so sánh kỹ thuật số để so sánh nhị phân
74HC00 hoạt động như một bộ so sánh kỹ thuật số để so sánh nhị phân, lý tưởng để ra quyết định trong các khung kỹ thuật số.Nó nhận ra sự bình đẳng hoặc sự thay đổi giữa các nhân vật nhị phân.Sử dụng 74HC00 để so sánh nhị phân cung cấp một tuyến đường hiệu quả để thực hiện các quyết định phân nhánh trong các giao thức kỹ thuật số khác nhau, củng cố hiệu suất hệ thống trong các hoạt động.
Biểu dữ liệu 74HC00:
74HC00 Chi tiết PDF74HC00 Chi tiết PDF cho Fr.PDF74HC00 Chi tiết PDF cho KR.PDF74HC00 Chi tiết PDF cho nó.pdf74HC00 Chi tiết PDF cho es.pdf
1. Chức năng của 74HC00 là gì?
74HC00
74HC00
RENESAS
74HC00 ST SOP
In Stock: 6124 pcs
kết hợp bốn cổng NAND 2 đầu vào độc lập, hoạt động trong phạm vi công suất từ 2.0V đến 6.0V.Phục vụ các hệ thống logic kỹ thuật số, nó cho phép hình thành các hoạt động logic, tạo thành xương sống của các kiến trúc kỹ thuật số phức tạp.
2. 74LS00 chứa bao nhiêu cổng NAND?
74LS00 bao gồm một bộ bốn cổng NAND, mỗi cổng được thiết kế với hai đầu vào và đầu ra số ít.Cấu hình này là một lựa chọn phổ biến khi phát triển các đơn vị trong thiết bị điện tử kỹ thuật số.
3. Điều gì khác biệt 74HC00 với 74LS00?
Một sự khác biệt chính là khả năng thích ứng điện áp của họ.74HC00 hoạt động trong phạm vi 2V đến 6V, trong khi 74LS00 bị hạn chế với nguồn điện 5V.Lựa chọn thường phụ thuộc vào sự thay đổi của nhu cầu ứng dụng và các yếu tố môi trường.
4. Bạn có thể mô tả loạt 74HC không?
Sê-ri 74HC có các mạch tích hợp CMOS tốc độ cao, cung cấp tốc độ tương thích TTL với mức tiêu thụ năng lượng giảm.Khả năng tương thích của chúng với bố cục pin của loạt 74LS cho phép tích hợp và thay thế dễ dàng trong các mạch hiện có.
5. Các ứng dụng của 74HC00 là gì?
Trong các mạch kỹ thuật số, 74HC00 là công cụ trong đó các cổng logic NAND được yêu cầu để đảo ngược tín hiệu và thực hiện các hành động logic phức tạp.Khả năng thích ứng của nó làm cho nó trở thành một tài sản có giá trị trong bối cảnh giáo dục và các dự án điện tử chuyên nghiệp.
Chia sẻ bài viết này